
💥 Взять на бесплатное тестирование
💥 Купить
💥 Программная поддержка (Armbian, NapiLnux, OpenWRT)
Преимущества NAPI-C, NAPI-P
Сразу готов к работе и прототипированию
Для начала работы с NAPI-С и NAPI-P не нужны дополнительные платы - можно работать с NAPI как с обычным одноплатником.

Делайте свои решения на NAPI-C и NAPI-P
Устройства NAPI-C (NAPI-P) работает как самостоятельное устройство, но в практическом плане это устройство, которое вставляется в «несущие платы», которые осуществляют питание, дополнительные устройства, датчики, модемы и любые другие устройства по требованию вашего проекта. Вы найдете всю информацию для создания своих устройств на основе NAPI.

Технические данные
- RK3308 processor (Cortex- A35 quard core)
- Armbian Linux / NAPI Linux
- Современное Linux ядро (kernel 6.1)
- 512 Мб ОЗУ
- 4 Гб ПЗУ (NAND)
- 1 × Ethernet 100 Мбит
- 2 × USB 2.0 (Type-A + Type-C)
- Питание +5 В (через GPIO или USB Type-C)
- PoE Ready
- 2,4 мм GPIO
- 3 × UART
- SPI
- 2 × I2C
- ☝ Компактный размер: 43 × 43 мм
Мы предлагаем два варианта исполнения модуля NAPI.
-
NAPI C — разъём Ethernet и USB-A расположены на модуле. Этот вариант максимально готов к автономной работе и требует меньших усилий при проектировании несущей платы. но при этом «географически» NAPI необходимо располагать на краю платы (чтобы разъёмы были снаружи);
-
NAPI P — разъёмы Ethernet и USB-A выполнены в виде разъёма с шагом 2,54 мм (контакты). Это позволяет располагать разъемы Ethernet и USB произвольно на несущей плате, но требует дополнительных усилий при ее проектировании (напайку разъемов, протягивание дорожек).
Возможна поставка с «гребенкой» как вверх от процессора (1), вниз от процессора (2) или с незапаянной (3) для самостоятельного монтажа.
👇 Napi-C

👇 Napi-P

Преимущества NAPI
🔥 Имеет малые размеры (43 × 43 мм), малое энергопотребление, не требует активного охла ждения.
🔥 Наличие портов на NAPI-C (Ethernet, USB, PoE) позволяет быстро создавать самые разные устройства на основе модуля.
🔥 Наличие штырьков на NAPI-P (Ethernet, USB на штырьках 2.54) позволяет размещать интерфейсы Ethernet,USB в удобном месте Вашей несущей платы.
🔥 Имеется выбор вариантов Linux: Armbian, Debian, NapiLinux, OpenWRT. Подробнее в разделе скачать.
⚠️ Примеры устройств на основе NAPI: Сборщик-компакт, Сборщик-универсал, Токо-сборщик, ПЛК «Наутилус».
NAPI GPIO (контактные гребенки для соединения с несущей платой)
Скачать в формате pdf

GPIO в виде таблицы

⚠️ GPIO4_B1 и GPIO4_B0 имеют TTL - 1.8В
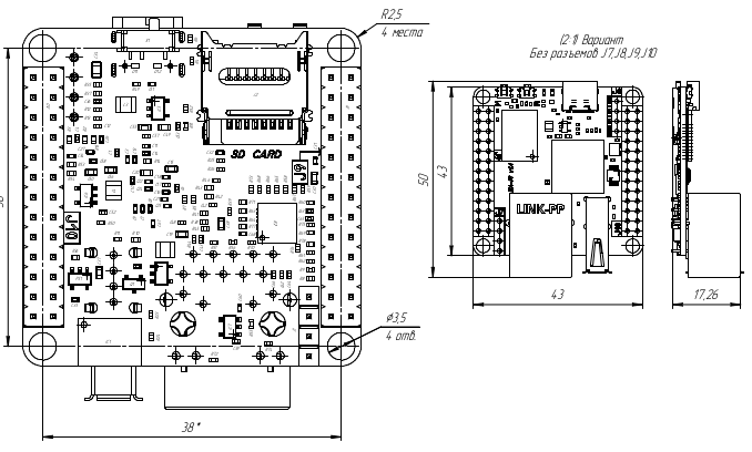
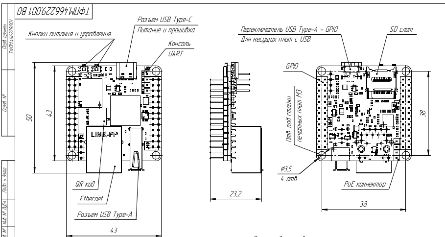
Размеры и габариты
Для проектирования Carrier Board и корпусирования приводим точные размеры NAPI C и NAPI P. На чертежах приведены размеры платы (с выступающими элементами и без), а также позиционирование элементов.
Чертеж Napi-C
Скачать в формате pdf

Чертеж Napi-P
Скачать в формате pdf

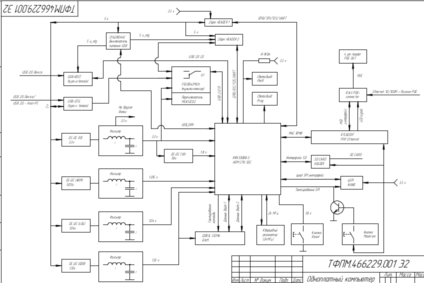
Функциональная схема

Скачать в формате PDF